  |
| HLUX系列智能旋進旋渦氣體流量計采用***新微處理技術,具有功能強、流量范圍寬、操作維修簡單,安裝使用方便等優點,主要技術指標達到國外同類產品******水平。廣泛應用于石油、化工、電力、冶金、煤炭等行業各種氣體、液體計量。 |
 |
| |
| 1、內置式壓力、溫度、流量傳感器具備多種補償方式可供用戶選擇,安全性能高,結構緊湊,外形美觀。 | | 2、***地顯示溫度、壓力、瞬時流量和累積總量。 | | 3、采用新型信號處理放大器和獨特的濾波技術,有效地剔除了壓力波動和管道振動所產生的干擾信號,大大提高了流量計的抗干擾能力,使小流量具有出色的穩定性。 | | 4、時間顯示及實時數據存儲之功能,無論什么情況,都能******內部數據不會丟失,可******性保存。 | | 5、整機功耗極低,能憑內部電池長期供電運行,是理想的無需外電源***地顯示儀表。 | | 6、防盜功能******,具有密碼保護,防止參數改動。 | | 7、具備兩線制和三線制4~20mA標準電流信號輸出,脈沖輸出和RS485接口。36.2-2010有關規定。隔爆型防爆標志為ExdⅡCT6。 | | 本系列產品執行國家JJG198-94《速度式流量計檢定規程》Q/320831AHH003-2004《HLUX系列智能旋進旋渦氣體流量計》企業標準。 | | 本系列產品經*********儀器儀表防爆安全監督部(NEPSI)檢定認可,符合國家標準GB3836.1-2010、GB38 | |  | |
 | | 1.標準狀態條件:P=101.325kPa,T=293.15K | | 2.使用條件: | | 環境溫度:-30~+60℃ | | 介質溫度:-20~+80℃ | | 相對溫度:5%~95% 大氣壓力:86KPa~106KPa | | 3、流量計規格、基本參數和性能指標(見表) | | 鋁合金殼體旋進流量計流量范圍 | 不銹鋼殼體旋進流量計流量范圍 | | 型號規格 | 公稱通徑DN(mm) | 流量范圍(m3/h) | 型號規格 | 公稱通徑DN(mm) | 流量范圍(m3/h) | | HLUX-20 | 20 | 2.0-15.0 | HLUX-20 | 20 | 2.0-15.0 | | HLUX-25 | 25 | 2.5-30.0 | HLUX-25 | 25 | 2.5-30.0 | | HLUX-32 | 32 | 4.5-60.0 | HLUX-32 | 32 | 4.5-60.0 | | HLUX-50 | 50 | 10.0-150.0 | HLUX-50 | 50 | 10.0-150.0 | | HLUX-80 | 80 | 28.0-400.0 | HLUX-80 | 80 | 28.0-400.0 | | HLUX-100 | 100 | 50.0-800.0 | HLUX-100 | 100 | 50.0-800.0 | | HLUX-150 | 150 | 150.0-2250.0 | HLUX-150 | 150 | 150.0-2250.0 | | HLUX-200 | 200 | 360.0-3600.0 | HLUX-200 | 200 | 360.0-3600.0 | | 該流量范圍為產品出廠檢定的流量范圍(常溫、常壓下介質為空氣,密度為1.205kg/m3);同時壓力的增大,流量范圍也隨之增大。 | | 4.電氣性能指標 | | 工作電源:外電源:+24VDC | | 內電源:3.6V鋰電池; | | 整機功耗:外電源,<1W | | 內電源:<0.3mW, | | 輸出方式:脈沖信號 | | 4~20mA電池信號:對應流量0~Qmax,20mA對應流量可由用戶自己設 定。 | | RS485通訊:可傳輸瞬時流量、累積流量、壓力和溫度參數。 | |
 |
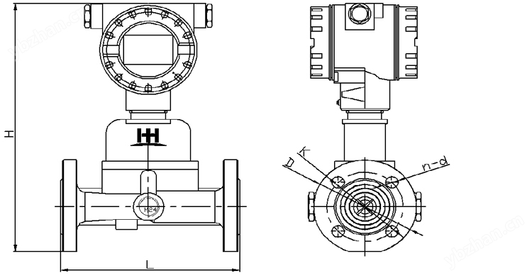
1、鋁合金殼體旋進流量外表尺寸 | 鋁合金殼體旋進流量計外形及安裝尺寸表 | | 公稱通徑 DN(mm) | 壓 力 等 級 (PN) | 安裝總長度 L(mm) | 安裝總高度 H(mm) | 法蘭外徑 D(mm) | 螺栓孔中心 圓直徑 K(mm) | 螺栓孔數量 n 螺栓孔直徑 d | | 20 | 1.6MPa | 160 | 410 | 105 | 75 | 4-Φ14 | | 25 | 1.6MPa | 180 | 420 | 115 | 85 | 4-Φ14 | | 32 | 1.6MPa | 200 | 430 | 140 | 100 | 4-Φ18 | | 50 | 1.6MPa | 232 | 440 | 165 | 125 | 4-Φ18 | | 80 | 1.6MPa | 330 | 490 | 200 | 160 | 8-Φ18 | | 100 | 1.6MPa | 413 | 510 | 220 | 180 | 8-Φ18 | | 150 | 1.6MPa | 575 | 560 | 285 | 240 | 8-Φ22 | | 200 | 1.6MPa | 700 | 620 | 340 | 295 | 12-Φ22 | 注:1、上表所有數據僅基于標準型旋進流量計; 2、與表中不同的壓力和口徑為特殊規格,特殊說明; 3、以上尺寸執行HG20593-2009法蘭標準,特殊說明; |
| 2.不銹鋼殼體旋進流量計外形尺寸 | 不銹鋼殼體旋進流量計外形尺寸 | | 公稱通徑 DN(mm) | 壓 力 等 級 (PN) | 安裝總長度 L(mm) | 安裝總高度 H(mm) | 法蘭外徑 D(mm) | 螺栓孔中心 圓直徑 K(mm) | 螺栓孔數量 n 螺栓孔直徑 d | | 20 | 4.0MPa | 200 | 300 | 105 | 75 | 4-Φ14 | | 25 | 4.0MPa | 200 | 300 | 115 | 85 | 4-Φ14 | | 32 | 4.0MPa | 200 | 360 | 140 | 100 | 4-Φ18 | | 50 | 4.0MPa | 230 | 370 | 165 | 125 | 4-Φ18 | | 50 | 6.3MPa | 240 | 390 | 180 | 135 | 4-Φ22 | | 80 | 1.6MPa | 330 | 420 | 200 | 160 | 8-Φ18 | | 80 | 6.3MPa | 330 | 430 | 215 | 170 | 8-Φ22 | | 100 | 1.6MPa | 410 | 485 | 220 | 180 | 8-Φ18 | | 150 | 1.6MPa | 570 | 510 | 285 | 240 | 8-Φ22 | | 200 | 1.6MPa | 700 | 570 | 340 | 295 | 12-Φ22 | 注:1、上表所有數據僅基于標準型旋進流量計; 2、與表中不同的壓力和口徑為特殊規格,特殊說明; 3、法蘭執行標準HG20593-2009,特殊說明; |
 |
|   |
|  |
| 1)0.8~3KHz等精度測頻; | | 2)4-20mA輸出; | | 3)上下限報警輸出,其監控的參數、高低報警和電平輸出方式可根據需要設置; | | 4)三路12位AD輸入(溫度、壓力、電池電壓); | | 5)0~1000Hz頻率輸出; | | 6)累積流量可記錄; | | 7)整機平均功耗450μA。 | |
 |
跳線版 | 撥碼版 | |
| 接線端子含義如下: | +24V | 24V 電源輸入(正) | | -24V | 24V 電源輸入(負) | | 電流輸出 | 4 ~ 20mA 輸出 | | 頻率輸出 | 24V 脈沖輸出 | | (報警)上限 | 上限報警輸出 | | (報警)下限 | 下限報警輸出 | | GND | 3V脈沖輸出地 | | BF | 3V 脈沖輸出 | | RS485 A | 485 通訊線(A+) | | RS485 B | 485 通訊線(B+) | |
跳線(撥碼)圖 | 三線制時,J5、J6 跳線帽都跳到左邊 | 三線制時,如圖,撥碼撥到上端 | | 兩線制時,J5、J6 跳線帽都跳到右邊 | 兩線制時,如圖,撥碼撥到下端 | |
| 接線示意圖    |
 |
| 1、流量計應根據流向標志安裝。 | | 2、流量計可水平、垂直或任意角度傾斜安裝。 | | 3、上下游直管段要求見圖1 | | 4、被測介質內除含有較大顆粒或較長纖維性雜質外,一般無需安裝過濾器。 | | 5、流量計周圍不應有強外磁場干擾及強烈的機械振動。 | | 6、流量計必須******接地。 |  |
 | | 1.在運行過程中若發生流量計顯示值與實際流量示值不符合時,應首先檢查用戶的管道系統是否符合流量計的安裝要求。 | | 2.故障排除見表 | | | 故障現象 | 可能原因 | 排除方法 | | 接通外電源后無輸出信號 | 1.管道無介質流量或流量低于始動流量 | 1.提高介質流量,使其滿足流量要求 | | 2.檢查電源與輸出線連接是否正確 | 2.正確接線 | | 3.前置放大器損壞(積算儀不計數,瞬時值為“0”) | 3.更換前置放大器 | | 無流量時流量計有流量顯示 | 1.流量計接地不良及強電和其它地線接線受干擾 | 1.正確接好地線,排除干擾 | | 2.放大器靈敏度過高或產生自激 | 2.更換前置放大器 | | 3.供電電源不穩,濾波不良及其他電氣干擾 | 3.修理、更換供電電源,排除干擾 | | 瞬時流量示值顯示不穩定 | 1.放大器靈敏過高或過低,有多計、漏計脈沖現象 | 1.更換前置放大器 | | 2.流量計葉輪轉速不穩定 | 2.對葉輪重新安裝或排除臟物 | | 3.接地不良 | 3.檢查接地線路,使之正常 | | 累積流量示值和實際量 不符合 | 1.流量計儀表系數輸入不正確 | 1.重新標定后輸入正確的儀表系數 | | 2.用戶正常流量低于或高于選用流量計的正常流量范圍 | 2.調速管道流量使其正常或選用合適的規格 | | 3.流量計本身超差 | 3.重新標定 | | 轉換顯示 不正常 | 轉換按鍵接觸不良 | 更換按鍵 | | 睡眠喚醒或換上新電池出現列機 | 上電復位電路不正常或振動電路不起振 | 重新電池(需取出后延時5秒后重裝) | | | |